2023-07-27 13:27:07
专利名称:一种打卡机固定装置
专利单位:成人漫画
授权时间:2021.12.24
专 利 号:202120336635.4
专利类型:实用新型
主要发明人:李磊; 杨东亮; 高凤娇; 张建平; 孙思文; 赵钰哲; 周钰琢
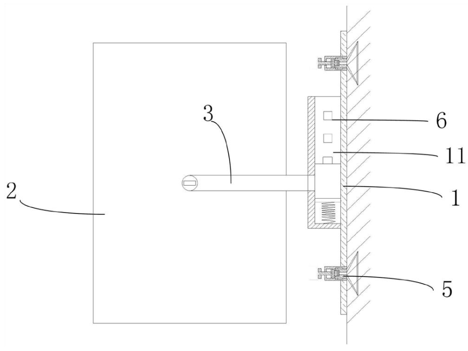
专利简介:本实用新型公开了一种打卡机固定装置,包括安装板、放置框、连接架和连接块,安装板通过多个吸盘组件固定连接在墙体上,安装板上连接有竖直滑槽,竖直滑槽内滑动连接有第一滑块;放置框内设有打开机本体,连接架包括两个支臂板和连接板,两个支臂板对称布置分别位于放置框的两侧并与其铰接,连接板的两端分别与两个支臂板远离放置框的一端垂直连接;连接块的一端与连接板的中部垂直连接,竖直滑槽的前端板开设有高度调节孔,连接块穿过高度调节孔与第一滑块固定连接,竖直滑槽的两侧对称滑动连接有多个限位杆,限位杆沿竖直方向等间距分布。本实用新型可同时调节安装的高度和角度,并且位置移动方便,安装牢固。
